您好,歡迎光臨浩寧電表網(wǎng)!
科陸DSSD720-B5 DTSD720-B5三相電子式多功能電能表|電度表接線圖
2016-06-06 16:40:00

下面跟著浩寧科技小編一起來了解科陸DSSD720-B5 DTSD720-B5三相電子式多功能電能表|電度表的接線圖:

1. 電能表主輔端子

1.1 輔助端子接線說明(僅供參考,具體見粘貼于電表表殼上的接線圖):

主接線端子

——主接線端子

直接接入式電能表

圖(a) 適用于直接接入式電能表

主接線端子

——主接線端子

經(jīng)互感器接入式電能表

圖(b) 適用于經(jīng)互感器接入式電能表

1.2 主接線端子接線說明

主接線端子接線說明

2. 電能表接線示意圖

2.1 脈沖輸出口接線示意圖

脈沖輸出口接線圖

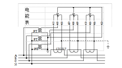
2.2 三相四線經(jīng)電壓、電流互感器接入式電能表接線圖

三相四線經(jīng)電壓、電流互感器接入式電能表接線圖

2.3 三相四線經(jīng)電流互感器接入式電能表接線圖

三相四線經(jīng)電流互感器接入式電能表接線圖

2.4 三相三線經(jīng)電壓、電流互感器接入式電能表接線圖

三相三線經(jīng)電壓、電流互感器接入式電能表接線圖

2.5 三相三線經(jīng)電流互感器接入式電能表接線圖

三相三線經(jīng)電流互感器接入式電能表接線圖

2.6 三相四線直接接入式電能表接線圖

三相四線直接接入式電能表接線圖